- Place of Origin:
- Shanghai, China
- Brand Name:
- SAIPWELL
- Model Number:
- AD56-16CS
- Insulation resistance:
- ≥2M
- Brightness:
- ≥100cd/m2
- CTI:
- ≥100 Led Signal Tower Light
- Applying Frequency:
- AC50-60Hz
- Colour:
- All colours
- Material:
- Reinforced nylon
- Sample:
- Yes Led Signal Tower Light
- OEM:
- Yes Led Signal Tower Light
- Certificate:
- CE
- Max. Voltage:
- Can be customized
- Supply Ability:
- 100000 Piece/Pieces per Month
- Packaging Details
- Led Signal Tower Light
Package Size: 85cm x 22cm x 2cm (33.46in x 8.66in x 0.79in)
Led Signal Tower Light
Package:Cardboard box
Led Signal Tower Light
Package:10 pcs in 1 box
- Port
- Shanghai/Ningbo
SAIPWELL Signallight New Product CE Approved 12V Led Signal Tower Light
SAIPWELL Signallight New Product CE Approved 12V Led Signal Tower Light
Technical Data
1.Power frequency withstand voltage:2.5KV/1min(effective AC value)
2.Insulation resistance:≥2M
3.Allowable voltage fluctuation:+-20%
4.Continuous operating life:≥30000h
5.Brightness of Led Signal Tower Light :≥100cd/m2
6.CTI of Led Signal Tower Light :≥100
7.Protection degree of the head IP65,IP67 is available on request
8.Applying frequency:AC50-60Hz
![]() | Model | Color | light voltage |
| AD56-16A | red/green/yellow /blue/white | Can be customized | |
| AD56-16AS |
SAIPWELL Signallight New Product CE Approved 12V Led Signal Tower Light
Working Condition
- Ambient temperature:-25℃-+55℃
- Relative humidity:≤98%
- Normally workable when vibration frequency is 2-80Hz with acceletation of 0.7g
- Pollution degree of Led Signal Tower Light is 3
- Installation group of Led Signal Tower Light is Ⅲ
- "TH" marked can work at damp-heat enviroment
SAIPWELL Signallight New Product CE Approved 12V Led Signal Tower Light
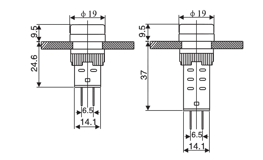
Overall Dimension

SAIPWELL Signallight New Product CE Approved 12V Led Signal Tower Light
Product Series(AD56 Series)
Remarks
1.The connection of A,C,E type is solder-terminal,the connection of B,D,F type is screw terminal; "S" is ultra-short type.According to the voltage,to offer the counter products if no specification.
2. All products use pure high illuminant LED light source.
3. Please clearly notice the specification,anti-interference(40V) and anti surge.
4. The material for body of 16mm indicator lamp is fire-retardant reinforced nylon.
5. The material of lamp cover is polycarbonate plastics.
6. The indicator lamp with attarctive shape,bright in color,excellent in cushion effect.

SAIP/SAIPWELL Annunciation Lamp High Quality AC/DC Traffic Signal Light 
Other Types


For more other types,pls contact me.
Type Meaning

Certificates
SAIPWELL Signallight New Product CE Approved 12V Led Signal Tower Light 
SAIPWELL
SAIPWELL Signallight New Product CE Approved 12V Led Signal Tower Light
SAIPWELL is a famous enterprise specialized in design, production and sales of electric equipments.Had factory located in the largest manufacturing base of electric equipment of Wenzhou China, which is called "the Electric Equiment Capital of China".
SAIPWELL, whose office located in Shanghai, has Five specialized branches, over 300 specialized cooperative partners. SAIPWELL, an ISO9001 certificated enterprise, owns modern production lines and high quality controlling equipment with scientific administration, professional engineers, highly trained teams technicians and skilled workers.
Now SAIPWELL has five design and production bases in Hong Kong, Taiwan, Singapore, Turkey and Wenzhou(China Mailand), 28 sales organizations in the world and more than 50 holding member enterprises.



SAIPWELL Signallight New Product CE Approved 12V Led Signal Tower Light
OEM-ODM Service Offered
1.Material,size and other requirements of Led Signal Tower Light can be customized.
2.Please kindly inform us which items you are interested & the reasonable price will be provided you upon receipt of your new inquiry ASAP.
3.Answer your question detailed.
4.Solve the problem with you during using our products.
5.You can visit our website: www.saipwell.com
SAIPWELL Signallight New Product CE Approved 12V Led Signal Tower Light
Payment Methods
We accept 30% payment in advance, the balance payment before shipping.
We also accept L/C according to the order amount
We can accept the payment by T/T, Western Union, Paypal, Private Account, Escrow,Cash,and others
SAIPWELL Signallight New Product CE Approved 12V Led Signal Tower Light
Packing And Shipment
We can ship the goods for you by following ways:
1.By Express: DHL, FEDEX, UPS, TNT, SF EXPRESS and China Post, China Small Package and so on.
2. By Air: We can ship from Ningbo, Shanghai, Shenzhen, Hongkong, Urumqi, Beijing.
3. By Sea: We can offer you FOB Ningbo, FOB Shanghai, FOB Shenzhen, FOB Urumqi, FOB XiaMen, FOB Beijing.
4. We also can send to your forwarder or agent in China, who can arrange shipment for you.
Contact Person: Violely Hong
Mob: +86-18721178238
Tel: +86-21 33050667-8028
QQ: 1276681154
Skype: saip577
My alibaba: cn1501534755
We are a leading manufacturer of signal light. our switch button and signal lights including: indicator light, flash light, double color indicator light, flash buzzer, anti-interference indicator light, test indicator light, combined indicator lamp, LED lamp.
Our company produce all kinds of waterproof enclosures,including these seires:signal light,traffic signal light,bike turn signal brake light,bike light turn signal,bicycle turn signal light,led signal tower light,led traffic signal light,led signal remote control light,fishing signal light, bicycle signal light, motorcycle signal light, motorcycle led turn signal light, car led side mirror signal light, pedestrian traffic signal light, led drl turn signal light, marine signal light, motorcycle turn signal light bulbs, signal tower light, led signal light, high flux led signal light, pilot light, 220v led pilot light, motorcycle pilot light, flash light, double color indicator light, double color indicator lamp, test indicator light, test signal light, double color signal light and other types.we have certification of CE,RoHS.IP level reaches up to IP66.


