GBT 19001-2016ISO 9001:2015
Product characteristics

◪ Surface matte, high contrast
◪ Surface luminescent technology - turning point into surface to solve the problem of LED glare
◪ Low pin technology - high cup and low feet, easy for customers to glue, cover the mask
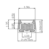
Product parameters

Product size




Product certificates


REACH

ROHS


