So you have finally decided to purchase a swimming pool heat pump. Congratulations! Now, your heat pump needs to be installed. You should have a licensed swimming pool professional and a licensed electrician install your heat pump in order to ensure that it runs at optimum efficiency and complies with all state and local industry codes . Moreover, you may void the manufacturet`s warranty of your heat pump if you install your heat pump yourself. In this article, we provide a general idea of what to expect when your unit is installed.
Unit Placement
Do not install a heat pump in an enclosed area, next to foliage, or next to other units. Heat pumps require sufficient air flow in order to function properly. For more specific clearance recommendations and requirements, read this article。
Install your unit within close proximity of your swimming pool. The further away you install your unit from your swimming pool, the more heat you will lose from the plumbing and the lower the water flow rate will be.
Install your unit on a sturdy base made of concrete, pavers, or any other material that can support its weight. Again, you must comply with all state and local industry codes.


Plumbing Connection
When connecting your unit to an existing swimming pool plumbing system, place your unit before all chlorinators and chemical pumps and after all filters and swimming pool pumps.
Also when connecting your unit to an existing plumbing pool system, make sure you have correctly-sized PVC connections and elbow fittings. Match the size of your new piping to the size of your existing piping.
Optional: If your heat pump is so equipped, attach tubing to the drain holes located at the bottom of your unit. This will prevent condensation puddles from forming around your unit by redirecting the condensation to a specific location.

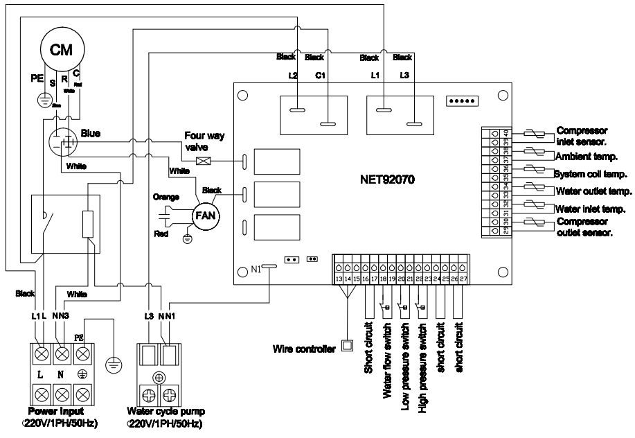
Electrical Connection
Note: a certified electrician should perform all electrical tasks in order to keep swimmers safe and to protect the unit from damage.
Check the running and peak electrical currents of your heat pump as well as your electrical supply. If your electrical supply cannot support your heat pump, you will need to run a dedicated cable from your subpanel to your main electrical supply board. You can find specific electrical requirements on your units data plate.
Connect your heat pump wiring to your subpanel.

Depending on circulation plumbing system and site conditions, a complete heat pump installation process typically requires one to two hours.So these are a few things to keep in mind when you have your heat pump installed. Again, you should only a licensed swimming pool professional and licensed electrician to install your heat pump! We at AquaCal cannot stress enough the importance of hiring licensed professionals.
Thanks for your support to all of my customers.

