Installing your pool heat pump is a fairly simple task and can be completed either by the pool owner, a local engineer or by one of our experienced installation engineers. The manufacturer's recommendations should however always be followed in order not to invalidate the warranty, or to prevent your heat pump from working properly.
Here are some tips if you decide to install a pool heat pump yourself:
The heat pump requires:
1. A Suitable Location
Choose a location for your heat pump where it can get a good flow of air. Optimum efficiency of the heat pump relies on good air flow.
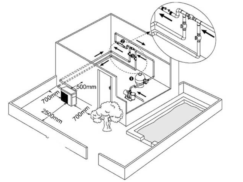
Where possible the heat pump should always be installed outdoors so it can receive a good supply of fresh air to operate and extract the heat from.

Make sure that the air being expelled by the fan will not hit any obstacles and could be recirculated back into the heat pump.

Pool heat pumps, come in two main formats - vertical fan and horizontal fan models. Vertical fan models will draw air in at the sides of the heat pump and blow cooler air upwards out of the top of the unit. You should ensure that there are no obstructions above the heat pump that could cause the expelled air to recirculate back into the unit as this will reduce its efficiency, eg low hanging trees or roofs etc.
Similarly horizontal fan models will draw air in at the back of the unit and blow out colder air from the front of the heat pump. More space is better, but as a minimum, you should allow 300mm behind the heat pump and 2 metres in front of it. Again, the expelled air should be able to blow away without hitting obstructions eg hedges, fences etc which could cause the air to re-circulate.
Vertical fan models should have at least 2 feet (600mm) clearance around the sides and no obstructions above as per the diagram below.
Minimum Clearance Requirements

If you‘re interesting in swimming pool heat pump products,please feel free to contact OSB heat pump.
Some of the articles are taken from the Internet. If there is any infringement, please contact us to delete it.

